Реле низкого давления PS01AL-S01(KP1) купить
Реле низкого давления PS01AL-S01(KP1) купить
Реле низкого давления PS01AL-S01(KP1) купить

Реле низкого давления PS01AL-S01(KP1)

  • Рейтинг:
    • Артикул: 10660003102
    • Производитель: Sanhua
    91.38 руб.
    шт
    Характеристики
    • Характеристика Значение
    • Артикул: 10660003102
    • Производитель: Sanhua
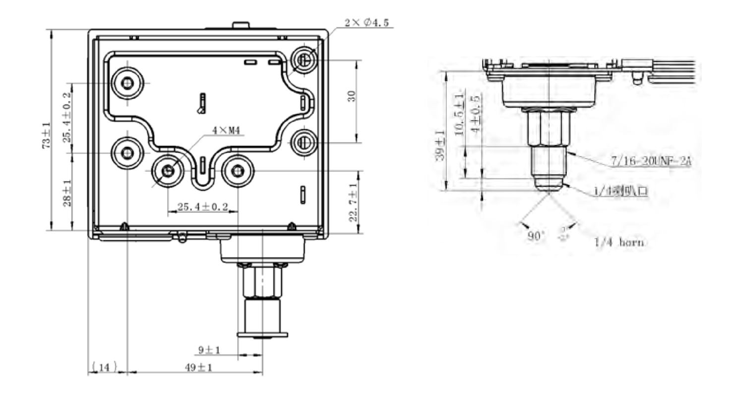
    • Класс защиты: IP44
    • Тип соединения: резьбовое
    • Диапазон давлений: -0.5~7 бар
    • Тип сброса: Автоматический
    Описание

    Реле давления предназначены для использования в холодильных системах и системах кондиционирования воздуха для защиты системы от пониженного давления всасывания или повышенного давления нагнетания. Реле давления также применяются для пуска/остановки компрессоров и вентиляторов воздушных конденсаторов с целью управления другими компонентами системы, которые требуют регулирования давления.

    ОСОБЕННОСТИ
    • ВЫСОКАЯ ТОЧНОСТЬ И СТАБИЛЬНОСТЬ РАБОТЫ
    • ДОЛГИЙ СРОК СЛУЖБЫ И ВЫСОКАЯ ЭЛЕКТРИЧЕСКАЯ/МЕХАНИЧЕСКАЯ НАДЕЖНОСТЬ
    • SPDT КОНТАКТНАЯ ГРУППА ДЛЯ ОБЕСПЕЧЕНИЯ ХОРОШЕГО КОНТАКТА И БЫСТРОГО
    ВКЛЮЧЕНИЯ/ВЫКЛЮЧЕНИЯ
    • РАЗЛИЧНЫЕ ДИАПАЗОНЫ ДАВЛЕНИЙ
    • СТАНДАРТНЫЙ КРОНШТЕЙН ДЛЯ УСТАНОВКИ ВХОДИТ В КОМПЛЕКТ ПОСТАВКИ
    • СИЛЬФОННЫЕ ЭЛЕМЕНТЫ ИЗГОТОВЛЕНЫ ИЗ ОЛОВЯННОЙ БРОНЗЫ, ПРИСОЕДИНЕНИЯ – ИЗ
    ЛАТУНИ.

    Применяется со всеми ГХФУ и ХФУ хладагентами,
    такими как: R22, R134a, R404A/R507, R407C, R22,
    R407A/F, R448A/449A, R452A, R513A, R450A,
    R1234ze(E).
    • Температура хладагента TS min./max. -40°C /+120°C
    • Температура окружающей среды min./max.-30°C/+65°C
    • Относительная влажность: 0 - 95% RH
    • Макс. рабочее давление: (PS): HP: 3.5 MПа; LP: 1.65 МПа
    • Контактная нагрузка.