Работаем только с юридическими лицами и ИП по безналичному расчету
Холодильный компрессор Secop SC12G купить
Холодильный компрессор Secop SC12G купить
Холодильный компрессор Secop SC12G купить

Холодильный компрессор Secop SC12G

  • Рейтинг:
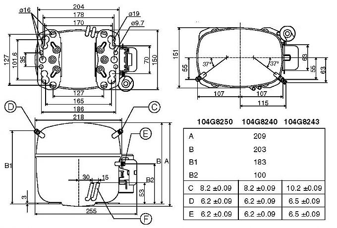
    • Артикул: 104G8240
    • Производитель: Secop / Danfoss
    375.25 руб.
    шт
    Характеристики
    • Характеристика Значение
    • Артикул: 104G8240
    • Производитель: Secop / Danfoss
    • Напряжение питания: 1 фаза/220 В/50 Гц
    • Габаритные размеры: 209*255*151 мм
    • Тип компрессора: Герметичный поршневой
    • Назначение компрессора: Низко/Среднетемпературный
    • Холодопроизводительность: 0,252 кВт (EN 12900)
    • Рабочий объем, см3: 12.87
    • Тип хладагента: R134a
    • Объем заправки маслом, мл: 550
    • Возможный аналог: NEK6210Z
      CAE4440Y
      AEZ3440Y
    • Диапазон температур испарения: -35…+10°C
    • Пусковой момент: HST
    • Температурный режим: LBP/MBP
    • Тип мотора: CSIR/CSR
    • Вес, кг: 12.6
    Описание

    Поршневые компрессоры Secop/Danfoss оптимально подходят для использования в:
    лабораторном и медицинском оборудовании;
    компрессорно-конденсаторных агрегатах;
    торговых предприятиях;
    в хлебопекарной промышленности;
    прилавках для мороженого;
    низкотемпературных шкафах;
    машинах по производству мороженого;
    морозильных аппаратах;
    автоматах по производству напитков;
    небольших холодильниках для грузовиков;
    тепловых насосах;
    контейнерах для охлаждения молока.

    Преимущества изделия:
    меньшие размеры компрессора или рабочий объем при аналогичной холодопроизводительности;
    передовые технологии, позволяющие снизить уровень шума;
    низкая потребляемая мощность;
    компактное пусковое оборудование;
    высокий пусковой момент;
    устойчивость к эксплуатации при высоких температурах;
    высокое качество;
    модели с различными напряжениями питания;
    модели с возможностью эксплуатации на двух частотах электропитания.